Уплотнительные гайки из углеродистой стали - это тип крепежа, используемого для соединения тонких пластин или листовых металлов. Они изготовлены из углеродистой стали, закаленные и гасительны для увеличения твердости, а поверхность оцинкованной или иным образом устойчива к коррозии.
Уплотняющаяся заглушающая гайка довольно проста, вы можете использовать стандартные пневматические или гидравлические инструменты клиника. Вот как это работает: сначала поместите гайку в предварительно ударительное отверстие, затем используйте удар и матрица, чтобы придать давление. Убийк нажимает листовой металл вокруг воротника гайки, образуя твердый механический замок за один быстрый шаг.
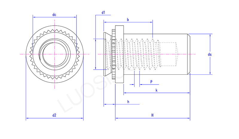
| Пн | M3-1 | M3-2 | М4-1 | М4-2 | M5-1 | M5-2 | M6-1 | M6-2 |
| P | 0.5 | 0.5 | 0.7 | 0.7 | 0.8 | 0.8 | 1 | 1 |
| DS Макс | 3.84 | 3.84 | 5.2 | 5.2 | 6.35 | 6.35 | 8.75 | 8.75 |
| DC Max | 4.2 | 4.2 | 5.38 | 5.38 | 6.33 | 6.33 | 8.73 | 8.73 |
| Б мин | 5.3 | 5.3 | 7.1 | 7.1 | 7.1 | 7.1 | 7.8 | 7.8 |
| H Макс | 0.91 | 1.38 | 0.97 | 1.38 | 0.97 | 1.38 | 1.38 | 1.38 |
| H Макс | 9.85 | 9.85 | 11.45 | 11.45 | 11.45 | 11.45 | 14.55 | 14.55 |
| H min | 9.35 | 9.35 | 10.95 | 10.95 | 10.95 | 10.95 | 14.05 | 14.05 |
| K Макс | 8.5 | 8.5 | 9.8 | 9.8 | 9.8 | 9.8 | 12.7 | 12.7 |
| D2 Max | 6.6 | 6.6 | 8.2 | 8.2 | 9 | 9 | 11.35 | 11.35 |
| D2 мин | 6.1 | 6.1 | 7.7 | 7.7 | 8.5 | 8.5 | 10.85 | 10.85 |
| D1 | M3 | M3 | М4 | М4 | M5 | M5 | M6 | M6 |
Уплотнительные гайки углеродистой стали определяются измерениями ключей: размер резьбы (например, M4, M5, M6 или 1/4 "-20), диаметр воротника клиника, общая высота, размеры уплотнения стиральной машины и диапазон толщины листа, с которыми они работают (как Min Min, так и максимум). Вы можете получить их в стандартном или имперском диапазоне.
Их сила клинча (насколько хорошо они сопротивляются отталкиванию или выталкиванию) протестируется по отраслевым стандартам (подумайте ISO, DIN, IFI). Выбор правильного размера - это большое дело, он гарантирует, что уплотнение удерживает, а гайка достаточно сильна для работы.
Чтобы установить уплотнение углеродистой стали, вам нужен специализированный инструмент для заглушки и набор матрицы, который точно соответствует размеру гайки. Во-первых, положите гайку в предварительно сбитое отверстие в листовом металле. Затем инструмент применяет контролируемое давление, что делает пилот гайки и кнурла в окружающий металл. Этот холодный процесс фиксирует гайку из нержавеющей стали навсегда, и в то же время он разжигает встроенную уплотнительную стиральную машину к панели. Вот как он создает уплотнение утечки, которая делает эти орехи уникальными.
