Главная > Продукты > Приколоть > Круглый булавка > Высокопрочные штифты с головками
        Высокопрочные штифты с головками
        • Высокопрочные штифты с головкамиВысокопрочные штифты с головками
        • Высокопрочные штифты с головкамиВысокопрочные штифты с головками

        Высокопрочные штифты с головками

        Этот высокопрочный штифт со головкой можно разбирать и переустанавливать несколько раз, что делает его удобным для повторного использования. Вы можете с уверенностью заказать высокопрочные штифты с головкой от Xiaoguo и получите отличные впечатления от гарантированного качества.

        Отправить запрос

        Описание продукта

        При необходимости мы можем предоставить сертификат проверки на эти высокопрочные штифты с головкой под головку. В сертификате перечислены основные результаты испытаний: из чего сделан материал, его механические свойства, такие как прочность и твердость, а также подтверждается правильность всех критических размеров. В нем также указано, каким стандартам, например ISO 2341, соответствует продукт.

        Каждый сертификат предназначен для конкретной партии продукции и имеет уникальный номер, позволяющий его отследить. Это запись, показывающая, что штифты прошли стандартные проверки от материала до готового продукта. Получение сертификата на высокопрочные штифты с головкой — это вариант, который полезен для работ, требующих формального оформления документов, будь то для повседневного промышленного использования или для более требовательных применений.

        High Tensile Clevis Pins

        Использование продукта

        Этот тип штифта обычно используется для соединения компонентов в машинах, требующих вращения или поворота. В различном промышленном оборудовании его часто используют для соединения кронштейнов, тяг или рычагов, в легковых и грузовых автомобилях — для элементов подвески, тормозных тяг, рулевых устройств и т. д.

        Его также использует сельскохозяйственная техника, такая как тракторные плуги и комбайны. В аэрокосмической отрасли его можно использовать для некоторых движущихся частей авиационных систем. Его также можно найти на лодках, в такелажах и некоторых деталях двигателей, поскольку он хорошо удерживается на месте.

        По сути, высокопрочные штифты с головкой удобны там, где вам нужно прочное соединение, которое вам, возможно, придется разобрать позже, и которое выдерживает тряску и регулярное использование.

        Сессия вопросов и ответов

        Вопрос: Какова стандартная упаковка ваших высокопрочных шплинтов?

        Ответ: Обычно мы используем прочные картонные коробки для упаковки высокопрочных шплинтов, а метод упаковки обычно разделяется по размеру и количеству (например, 100 штук в коробке).

        При оптовых заказах мы упаковываем высокопрочные шплинты в основную коробку и размещаем их на поддоне, чтобы обеспечить безопасную транспортировку и простоту обращения.

        High Tensile Clevis Pins


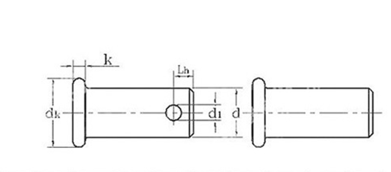
        единица измерения: мм
        d Макс 3 4 5 6 8 10 12 14 16 18 20
        мин 2.94 3.925 4.925 5.925 7.91 9.91 11.89 13.89 15.89 17.89 19.87
        дк Макс 5 6 8 10 12 14 16 18 20 22 25
        мин 4.7 5.7 7.64 9.64 11.57 13.57 15.57 17.57 19.48 21.48 24.48
        k номиналL 1.5 2 2.5 3 3.5 4
        Макс 1.625 2.125 2.625 3.125 3.65 4.15
        мин 1.375 1.875 2.375 2.875 3.35 3.85
        d1 мин 1.6 2 3.2 4 5 5
        Макс 1.74 2.14 3.38 4.18 5.18 5.18
        Лч мин 1.6 2.2 2.9 3.2 3.5 4.5 5.5 6 6 7 8




        Горячие Теги: Высокопрочные штифты с головками, Китай, Производитель, Поставщик, Фабрика
        Связанная категория
        Отправить запрос
        Пожалуйста, не стесняйтесь дать свой запрос в форме ниже. Мы ответим вам в течение 24 часов.
        X
        Мы используем файлы cookie, чтобы предложить вам лучший опыт просмотра, анализировать трафик сайта и персонализировать контент. Используя этот сайт, вы соглашаетесь на использование нами файлов cookie. политика конфиденциальности
        Отклонять Принимать