Главная > Продукты > Болт > Якорный болт > Анкерные болты с квадратной головкой и квадратной шейкой
        Анкерные болты с квадратной головкой и квадратной шейкой
        • Анкерные болты с квадратной головкой и квадратной шейкойАнкерные болты с квадратной головкой и квадратной шейкой
        • Анкерные болты с квадратной головкой и квадратной шейкойАнкерные болты с квадратной головкой и квадратной шейкой
        • Анкерные болты с квадратной головкой и квадратной шейкойАнкерные болты с квадратной головкой и квадратной шейкой

        Анкерные болты с квадратной головкой и квадратной шейкой

        Анкерные болты с квадратной головкой и квадратной шейкой имеют квадратную головку с квадратной шейкой, соединенной с головкой внизу, и резьбовую конструкцию на другом конце. Болты, производимые фабрикой Xiaoguo®, подходят для небольших проектов DIY и крупномасштабного строительства и могут хорошо использоваться с бетоном и другими твердыми материалами.
        Модель:BS 7419-1991

        Отправить запрос

        Описание продукта

        Головка анкерных болтов с квадратной головкой и квадратной шейкой имеет квадратную форму, как и шейка. Конструкция с квадратной головкой обеспечивает большую площадь контакта ключа, обеспечивая более стабильное приложение силы. Это особенно практично в сценариях, требующих сильного крутящего момента и мер по предотвращению скольжения.

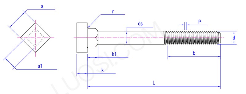
        Параметры продукта

        square head square neck anchor bolts parameter

        Пн.
        М16
        М20
        М24
        М30
        М36
        М42
        М48
        М56
        М64
        P
        2 2.5 3 3.5 4 4.5 5 5.5 6
        б макс
        122 127.5 133 140.5 148 155.5 163 172.5 182
        Б мин
        116 120 124 130 136 142 148 156 164
        Дс Макс
        16.7 20.84 24.84 30.84 37 43 49 57.2 65.2
        ДС мин.
        15.3 19.16 23.16 29.16 35 41 47 54.8 62.8
        К мин
        9.25 11.6 14.1 17.65 21.45 24.95 28.95 33.75 38.75
        к макс
        10.75 13.4 15.9 19.75 23.55 27.05 31.05 36.25 41.25
        Р мин
        0.6 0.8 0.8 1 1 1.2 1.6 2 2
        с макс
        24 30 36 46 55 65 75 85 95
        с мин
        23.16 29.16 35 45 53.8 63.1 73.1 82.8 92.8
        К1 мин
        7.25 9.25 11.1 14.1 17.1 19.95 22.95 26.95 30.75
        к1 макс
        8.75 10.75 12.9 15.9 18.9 22.05 25.05 29.05 33.25
        с1 макс
        16.7 20.84 24.84 30.84 37 43 49 57.2 65.2
        С1 мин.
        15.3 19.16 23.16 29.16 35 41 47 54.8 62.8

        Особенности продукта

        Анкерные болты с квадратной головкой и квадратной шейкой относятся к прочным болтам, завинчиваемым до затвердевания бетона. После затвердевания бетона квадратная шейка зафиксируетболтына месте, чтобы предотвратить их вращение при последующей затяжке гаек. Это фундаменты, которые непосредственно закрепляют тяжелые объекты, такие как колонны, машины или конструкционную сталь, к бетонному фундаменту.

        Анкерные болты установлены прочно. Когда вы затягиваете гайку, квадратная шейка будет плотно зажата в установленном материале, например бетоне или дереве, чтобы предотвратить вращение болта вместе с гайкой. Таким образом, фиксированный объект может прочно оставаться на месте и не будет легко трястись или смещаться.

        Установка этого метрического анкерного болта осуществляется в процессе заливки бетона. Для их размещения можно использовать шаблоны или приспособления, убедившись, что концы с резьбой направлены вверх. Ключевым шагом является встраивание квадратной горловины во влажный бетон. По мере того как бетон затвердевает вокруг квадратного горлышка, он прочно захватывает квадратное горлышко. После этого вам просто нужно надеть деталь на болт, а затем затянуть гайку до оголенной резьбы.

        Анкерные болты с квадратной головкой и квадратной шейкой устойчивы к ударам. Поскольку болты физически фиксируются в бетоне затвердевшим материалом, окружающим квадратную шейку, вероятность их ослабления с меньшей вероятностью ослабляется из-за вибрации или движения. Это позволяет им надежно фиксировать вибрирующее оборудование или конструкции, подверженные динамическим нагрузкам, таким как ветер или движение транспорта.


        Горячие Теги: Анкерные болты с квадратной головкой и квадратной шейкой, Китай, Производитель, Поставщик, Фабрика
        Связанная категория
        Отправить запрос
        Пожалуйста, не стесняйтесь дать свой запрос в форме ниже. Мы ответим вам в течение 24 часов.
        X
        Мы используем файлы cookie, чтобы предложить вам лучший опыт просмотра, анализировать трафик сайта и персонализировать контент. Используя этот сайт, вы соглашаетесь на использование нами файлов cookie. политика конфиденциальности
        Отклонять Принимать