|
Пн. |
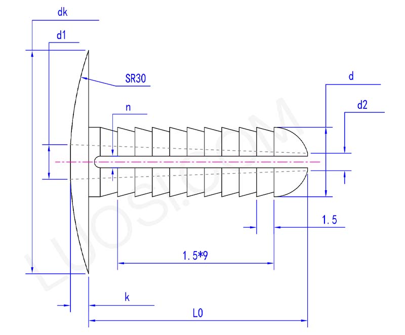
F6 |
F8 |
Φ10 |
|
д макс |
6 | 8 | 10 |
|
администратор |
5.8 | 7.8 | 9.8 |
|
ДК Макс |
16.2 | 16.2 | 18.2 |
|
дк мин |
15.8 | 15.8 | 17.8 |
|
к макс |
1.6 | 1.6 | 2.1 |
|
К мин |
1.4 | 1.4 | 1.9 |
|
Л0 |
20 | 20 | 22 |
|
d1 |
3 | 4 | 5 |
|
d2 |
1.5 | 2 | 3 |
|
n |
1 | 1 | 1.5 |
Расширяющийся фиксатор заклепки — полезная пластиковая застежка. Он работает как более безопасный и легкий вариант, устойчивый к ржавчине, вместо обычных металлических шплинтов.
По сути, это цилиндрическая деталь с разрезом посередине. Вы вставляете его в предварительно просверленное отверстие, затем сгибаете две ножки, чтобы удерживать на месте такие детали, как штифты с головками, валы или рычаги. Эта пластиковая версия избавляет от таких проблем, как износ металла, острые края и гальваническая коррозия.
Основные преимущества расширяющегося фиксатора с заклепками заключаются в безопасности, легкости и устойчивости в различных условиях.
В отличие от металлических штифтов, у него нет острых заусенцев, которые могут порезать вас при установке или вынимании. Он намного легче, что имеет большое значение для аэрокосмической и автомобильной промышленности.
Более того, расширяющийся фиксатор зажимов с заклепками естественным образом устойчив к ржавчине и коррозии. Его можно использовать во влажных помещениях, рядом с химикатами или там, где недостаточно электричества, а металлические иглы могут работать неправильно или вызывать проблемы.

Конкретное значение прочности на сдвиг нашего фиксатора зажима с расширяющейся заклепкой будет варьироваться в зависимости от диаметра штифта и конкретного сорта материала.
Он предназначен для выдерживания большого количества вибраций и движущихся нагрузок, которые часто встречаются в оборудовании, автомобильных деталях и сборочных линиях.
Материал естественно обладает некоторой гибкостью и упругостью, что помогает ему поглощать удары. Это делает его надежной заменой металлических штифтов во многих суровых условиях, он не изнашивается легко, а также уменьшает износ соединяемых деталей.
