Естественные свойства пластиковых расширяющихся зажимов-заклепок делают их пригодными для особого, специфического использования. Поскольку он не проводит электричество, он очень важен в электрических коробках и зонах высокого напряжения. Он не образует искр, что очень необходимо во взрывоопасных местах (зоны ATEX).
Без него также не обойтись в кабинетах МРТ и чувствительной электронике, местах, где просто недопустимы даже небольшие магнитные поля от металлических штифтов.

Хорошие пластиковые расширяющиеся заклепочные зажимы проходят строгие испытания, чтобы убедиться в их стабильной работе. Эти тесты проверяют такие вещи, как точность размера, какую силу натяжения он может выдержать, насколько хорошо он выдерживает удары и работает ли он с различными химическими веществами.
Пластиковые шплинты Xiaoguo® производятся в соответствии с отраслевыми стандартами с использованием материалов, соответствующих указанным требованиям, что обеспечивает их производительность. Они надежно и надежно удерживают предметы на месте по назначению. По сравнению с металлическими шплинтами пластиковые более устойчивы к коррозии и ржавчине.

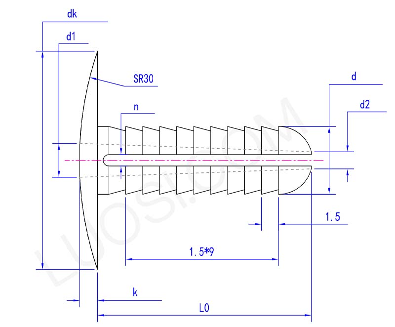
Пн.
F6
F8
Φ10
д макс
6
8
10
администратор
5.8
7.8
9.8
ДК Макс
16.2
16.2
18.2
дк мин
15.8
15.8
17.8
к макс
1.6
1.6
2.1
К мин
1.4
1.4
1.9
Л0
20
20
22
d1
3
4
5
d2
1.5
2
3
n
1
1
1.5
Наши стандартные пластиковые зажимы с расширяющимися заклепками изготовлены из материалов, соответствующих основным международным нормам, включая RoHS и REACH. Мы также предлагаем версии, сертифицированные FDA, для применения в контакте с пищевыми продуктами. Сертификаты соответствия предоставляются по запросу.
Наши материалы во время производства тщательно отбираются в соответствии с мировыми стандартами, что обеспечивает соблюдение соответствующих стандартов качества и обеспечивает безопасный экспорт и широкое использование по всему миру.