Высокопрочный проекционный сварка для лица - это особый вид крепеж, созданный для крепкого и легко подключения к металлическим листам или конструкциям. Он имеет прогнозы - обычно кольца или небольшие удары - на стороне, которая касается металла, и они сделаны для точных размеров.
Когда вы его привариваете, много электрического тока фокусируется на этих проекциях. Это делает металл там очень горячим, таял, а затем, когда он охлаждается, он образует сильный сварка. Этот сварной сварной сварной площадку плотно придерживается высокопрочной проекционной сварной болт к деталям, над которым вы работаете.
Основная задача высокопрочной проекции сварки лиц-создать постоянную точку прикрепления на основе резьбы, которая может иметь вес. Вам нужно специальное проекционное сварочное оборудование, чтобы приваривать его.
Электроды нажимают и отправляют много электричества через прогнозы болта и металлический кусок, с которым вы работаете. То, как производится сварка болта, означает, что только прогнозы расплавляются - ничего больше. Когда они охлаждают, они образуют прочную металлическую связь, а металл вокруг нее не очень согнут и не согнут.
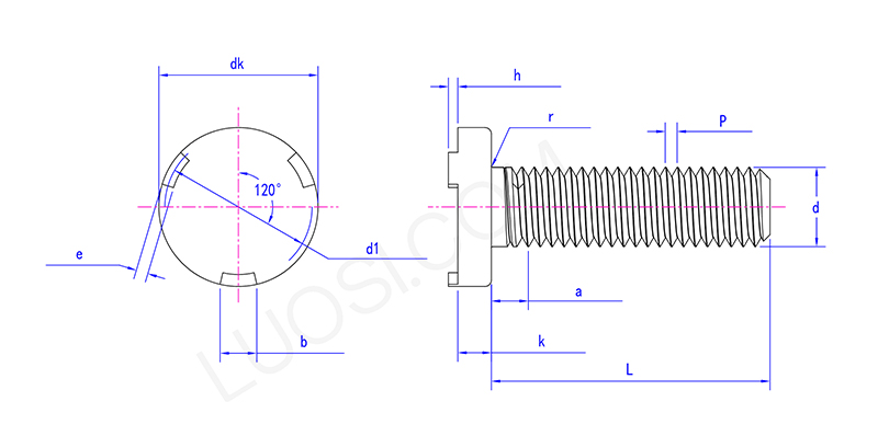
| Пн | M5 | M6 | M8 | М10 |
| P | 0.8 | 1 | 1.25 | 5 |
| DK Max | 12.4 | 14.4 | 16.4 | 20.4 |
| DK Min | 11.6 | 13.6 | 15.6 | 19.6 |
| K Макс | 2 | 2.2 | 3.2 | 4.2 |
| К мин | 1.6 | 1.8 | 3.2 | 4.2 |
| и макс | 2.25 | 2.75 | 2.25 | 2.75 |
| E Min | 1.75 | 2.25 | 1.75 | 2.25 |
| б макс | 3.3 | 4.3 | 5.3 | 6.3 |
| Б мин | 2.7 | 3.7 | 4.7 | 5.7 |
| H Макс | 0.8 | 0.9 | 1.1 | 1.3 |
| H min | 0.6 | 0.75 | 0.9 | 1.1 |
| D1 Макс | 10 | 11.5 | 14 | 17.5 |
| D1 мин | 9 | 10.5 | 13 | 16.5 |
| R min | 0.2 | 0.25 | 0.4 | 0.4 |
| r Макс | 0.6 | 0.7 | 0.9 | 1.2 |
| Макс | 3.2 | 4 | 5 | 5 |

Высоко прочностная сварка для лиц имеет мало приподнятых деталей - обычно кольца или небольшие вмятины - на стороне, которая сварена. Когда вы его приваривает, много электричества фокусируется на этих приподнятых частях. Они сразу же растут против основного металла, в то время как электрод давит.
Это делает сильные, плотные сварные швы, которые хорошо удерживают болт на месте. Они отлично работают для работы с листовым металлом.