Длязапирающее кольцо с болтовой фиксацией, вы можете подобрать материалы исходя из того, что вам нужно. Углеродистая сталь (например, SAE 1070/1095) используется, когда вам нужен прочный материал для тяжелых работ. Нержавеющая сталь (AISI 304/316) хорошо работает в местах, где предметы могут ржаветь или подвергаться коррозии. Титановые сплавы хороши для аэрокосмической промышленности, где они должны быть легкими, но прочными. Есть также специальные материалы, такие как Inconel®, для ситуаций с экстремальными температурами, очень горячими или очень холодными.
Они тщательно проверяют каждый материал, чтобы убедиться, что он держится, проверяя, насколько он может растягиваться без разрушения (до 1500 МПа) и насколько он может выдерживать износ с течением времени. Разнообразие материалов означает, что это стопорное кольцо может работать в самых разных условиях: от очень холодных мест до заводов с высокой температурой.
Забота озапирающее кольцо с болтовой фиксациейозначает регулярные проверки затяжки болтов, износа поверхности или ржавчины. Во время технического обслуживания затягивайте болты с моментом, рекомендованным производителем (обычно 20–50 Нм). Используйте мягкие чистящие средства, чтобы вытереть мусор, и нанесите на резьбу немного противозадирной смазки, чтобы ее было легче разобрать в дальнейшем. Если вы видите трещины или кольцо деформировано, замените его. Храните кольца в сухом месте с контролируемой температурой, чтобы не повредить их перед установкой. Соблюдение этого режима помогает им работать лучше и продлевает срок их службы до 30%.

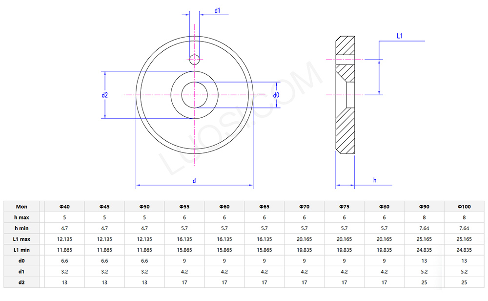
Вопрос: Как определить правильный размерзапирающее кольцо с болтовой фиксациейдля моего диаметра вала?
А: Выбор правильногозапирающее кольцо с болтовой фиксациейзависит от толщины вала (наружный диаметр) и типа резьбы. Начните с измерения толщины стержня и сравните ее с таблицей размеров производителя. Ключевые моменты, на которые следует обратить внимание: внутренний размер втулки должен соответствовать резьбе вала, размеру болта и толщине втулки. Если на вашем валу нет резьбы, сначала вам необходимо добавить резьбу. Всегда дважды проверяйте, метрическая ли резьба или дюймовая: их путаница вызывает головную боль. Для валов нестандартных размеров существуют специальные втулки, но они потребуют дополнительного времени и денег.
Наши стопорные кольца с болтовым креплением в основном изготовлены из углеродистой стали. Мы выбираем этот материал, потому что он обладает хорошей прочностью и износостойкостью, что позволяет удовлетворить основные потребности использования продукта.
Прежде чем изделия покинут завод, мы покрываем их поверхности антикоррозийным слоем. Эта обработка предохраняет ошейники от ржавчины при использовании во влажной среде или при длительном хранении.
У нас также есть дополнительные материалы, такие как нержавеющая сталь, для клиентов, которым нужна лучшая коррозионная стойкость. Толщина материала изделия рассчитана с учетом стандартных требований к несущей способности, поэтому оно не деформируется и не ломается при нормальном использовании.
Часть болта изготовлена из того же материала, что и воротник, поэтому все изделие имеет стабильные характеристики и стабильность.
Стоимость доставки наших запорных хомутов с болтовым креплением зависит от того, куда вы их отправляете, какой способ доставки вы выберете и сколько вы закажете.
Если вы используете стандартную логистику, стоимость будет ниже, но доставка займет немного больше времени — обычно от 3 до 7 рабочих дней. Для срочных заказов вы можете выбрать экспресс-доставку, но это будет стоить дороже. Точная дополнительная плата зависит от того, как далеко должна доставиться посылка.
Когда ваш заказ достигнет определенного количества, мы оплатим вам стоимость доставки. Каждый продукт маленький и легкий, поэтому даже при заказе небольших партий не будет слишком высокой стоимости доставки.
Прежде чем отправить что-либо, мы должным образом упакуем ошейники, чтобы предотвратить повреждение во время транспортировки. И эта стоимость упаковки уже включена в стоимость доставки — вам не придется за нее доплачивать.
Если вы хотите узнать точную стоимость доставки, просто спросите нашу службу поддержки клиентов. Они рассчитают его на основе ваших конкретных деталей заказа.
Вопрос: Каков минимальный заказ и время выполнения вашего запирающего воротника с болтовой фиксацией, и предлагаете ли вы скидки при оптовом заказе?
О: Минимальный объем заказа (MOQ) стандартного запорного воротника с болтовой фиксацией составляет 300 штук, время выполнения регулярных заказов составляет 7–10 рабочих дней. Для оптовых заказов более 5000 штук мы предлагаем многоуровневые скидки (скидка 3–10%), чтобы снизить ваши затраты на закупки. Минимальный заказ для индивидуального запирающего воротника с болтовой фиксацией составляет 500 штук, время выполнения заказа составляет 12–18 рабочих дней, включая проверку образцов и планирование производства.